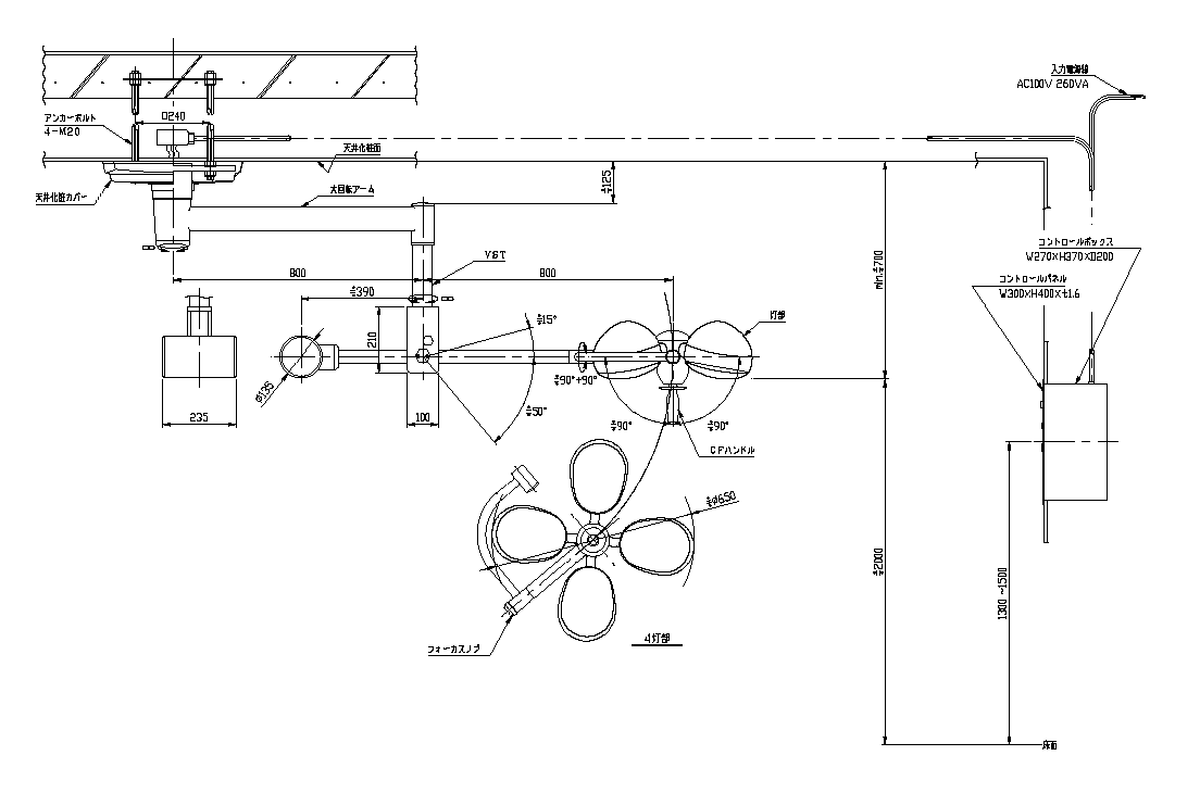
The SKYLUX Outerspace MRI Diagram

    Shadow less lamps   Home page Products  Contact us